Relai du démarreur
Démarreur Hitachi S114-303 équipant le moteur Yanmar 3GM-30, monté en 1993.
Alors que nous partions du Cap Vert pour traverser l'Atlantique vers le Vénézuela, au mouillage de Praia, Jacques actionne le bouton du démarreur, plusieurs fois ... Le moteur démarre, mais après quelques secondes, une forte odeur de cramé envahit l'atmosphère. On étouffe le moteur et coupe le contact. Une légère fumée quand on ouvre la gate moteur, mais surtout cette odeur très caractéristique du bobinage de moteur électrique grillé. Je comprends vite que le démarreur a pris un coup ! Au démontage, ça ne fait aucun doute, le bobinage du stator est encore très chaud et de gros points de soudure ont dégagé. Nous allons faire réparer ce démarreur dans le garage auto local. Mais au Cap Vert, il y a une quinzaine d'années, les garagistes travaillent dans la rue avec des outils tout à fait approximatifs. Après quelques tentatives de plusieurs « experts », il faut se résoudre à l'évidence : c'est pas ici que je pourrai faire réparer de manière fiable ce démarreur. En commander un neuf nous immobiliserait plusieurs semaines. Je décide donc d'entreprendre cette traversée Atlantique sans moteur. Après tout, Boisbarbu est un voilier, et les alizés devraient être avec nous.


C'est en arrivant en Martinique que le patron de Caraibes Gréement m'aide à analyser l'origine du problème, qui peut arriver sur la plupart de nos Feeling de cette génération.
Tout d'abord une constatation : sur Boisbarbu, il n'y avait pas de relai de démarrage. Ce qui veut dire que le lanceur du démarreur était directement alimenté depuis le bouton poussoir qui au tableau de commande moteur, dans le cockpit. La longueur des fils du bouton au démarreur est de 2 à 3 mètres. A cette distance, il y a une perte de tension sur le parcours. De plus, le bouton poussoir de démarrage, bien que supposé étanche, semble très oxydé à l'arrière du tableau de commande. Bref, mauvais contact, longueur des fils : il fallait actionner plusieurs fois le bouton poussoir pour que le démarreur s'enclenche.
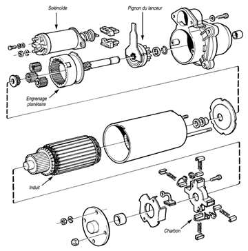
Sur le schéma de gauche, on voit le fil bleu venant du bouton poussoir, allant direcement alimenter le solénoide du démarreur. C'est le montage d'origine sur nos bateaux. Mais le fil étant trop long, il faut intercaler un relai dans ce circuit. Ce meme schéma de gauche montre l'intérieur du solénoide, ou la graisse peut risquer de figer. Si le solénoide reste activé (poussé vers la droite dans le schéma), alors le démarreur va rester enclenché sur la couronne moteur et tourner à très grande vitesse (environ 10000 tours/minute), ce qui va le détruire rapidement. Le schéma de droite montre l'éclaté des composants du démarreur.


De plus, à cette génération de démarreurs, Hitachi a découvert que la graisse interne au lanceur, finissait par se figer si elle avait chauffé plusieurs fois, à tel point qu'elle pouvait freiner ou empêcher le retour du lanceur, une fois le bouton poussoir relâché. A tel point que certains concessionnaires scrupuleux démontaient le lanceur de démarreur avant de le monter sur le moteur, et remplaçait la graisse Hitachi. Il faudrait peut-être faire cette opération, ou au moins une vérification tous les 10 ans.
Le relai est un simple relai auto 12v-30A, qu'on trouve aussi chez les shiplanders. Son brochage est également standard.


Sur ce dessin du démarreur, c'est la cosse C qui active le solénoide, qui est relié au 87 du relai.

Voici le schéma de cablage du relai sur Boisbarbu. Le relai est positionné le plus près possible du moteur, par exemple sur la cloison bâbord de la gate moteur, à une dizaine de centimètres du démarreur.

Depuis 15 ans que ce cablâge est réalisé, je n'ai plus jamais eu aucun problème avec le démarreur.
Gérard, sur Boisbarbu
Commentaires
http://www.plaisance-pratique.com/pepin-de-demarrage-et-probablement#forum14338
S’abonner au flux RSS pour les commentaires de cet article.