La documentation
Dossiers 1090/1040
- Achat et préparation
- Le confort à bord int.
- Couchette bâbord
- Rangement cab avant
- Filets pour fruits
- Table à carte
- La gazinière
- Etagères frigo
- Rangement jupe
- Placard à cirés
- Equipet Toilettes
- Equipet cabine arrière
- Equipet cabine arrière b
- Matelas cabine AR
- Cadre panneau de pont
- Plancher Cabine AR
- Plancher cabine AV
- Marches élargies
- Rangement cab tribord
- Planche à découper
- Equipets carré
- Nez de marche tôle alu
- Rangements invisibles
- Isolation frigo
- Toiles anti roulis
- Tissu sellerie
- Démontage meubles AV
- Etagère cabine AR
- Démontage meuble AR
- Habillage hublots
- Refit cabinet toilette
- Rangement chauffe-eau
- Rideau de pluie
- Trappe coqueron
- Kitchen refurbishment
- Rallonger tiroirs
- Le confort à bord ext.
- Circuit d'eau et chauffage
- Les vaigrages
- Hublots et panneaux
- L'électricité
- Les instruments
- Le moteur
- Le Yanmar
- Le volvo
- Les équipements
- Tirette arrêt moteur
- Réservoir Boisbarbu
- Trappe de visite
- Fuite de carburant
- Ventilateur de cale
- Remplacement d'hélice
- Réservoir Fearless Friend
- Protection pompe carburant
- Jauge carburant
- Isolation phonique
- Fuite réservoir gasoil
- Filtre eau de mer
- Dérivation gasoil
- Alignement arbre
- Horodateur
- Capteur jauge carbu
- Hors-bord Tohatsu
- Joint à lèvre
- Le gréement
- Le gréement courant
- Le gréement dormant
- Gréement, accastillage
- Etai largable Boisbarbu
- Etai largable Blue Eyes
- Etai largable Manzanillo
- Etai largable Fulmar
- La rupture de l'étai
- Enrouleur Profurl N42
- Dématage / Rematage
- Réparation épontille
- Barres de flèche
- Déport drisse spi
- Documentation dormant
- Sorties de drisse
- Nettoyeur gorge mat
- Nettoyeur rail mât
- Nettoyeur gorge GSE
- Roulements Profurl
- Roulemts Profurl (2)
- Vit de mulet
- Devis, factures gréement
- Etai largable Néphylia
- Les voiles
- La barre et le safran
- Le mouillage
- Le pont
- Pied de chandelier
- Le Portique BoisBarbu
- Les portiques Feeling
- Entretien winch Lewmar
- Entretien winch Harken44
- Entretien winch Harken32
- Flasque winch Harken
- Refit + new mast
- Complete refit
- Cadènes de sécurité
- Remplacement rail GV
- Capote de roof
- Les Dorades
- Teck jupe AR
- Portique bon marché
- Glissière Amiot
- Winch 4 vitesses
- La coque
- Les Logos Kirié
- Traitement du lest plomb
- Les plans de grutage
- Placer les étais sur ber
- Plans et dimensions
- Couleur du gel coat
- Peinture de coque
- Trappe échelle bain
- Les couleurs Feeling
- Peinture de coque 2
- Coque Manzanillo
- Coffre survie
- Numéro de coque
- Déquillage
- Marche de jupe
- Stratification cloison
- Boulons de quille
- DL ou DI
- Réfection lest plomb
- Peinture coque 3
- Traitement osmose ++
Dossiers autres modèles
- Feeling 720
- Feeling 850
- Feeling 920
- Feeling 960
- Feeling 1100
- Feeling 1350
- Feeling 226
- Feeling 256
- Feeling 286
- Feeling 306
- Feeling 316
- Feeling 326
- Feeling 346
- Aménagements
- Plans dérive
- Chaise d'arbre moteur
- Dépose dérive
- Vaigrage cabine avant
- Réfection carré
- Réparation dérive
- Vérin pilote Ray
- Cadène d'étai
- Taud d'hivernage
- Rangements
- Tableau électrique
- Porte frigo
- Tous les vaigrages
- Eaux noires 2 cab.
- Eaux noires 3 cab.
- Poser à plat
- Porte de coupé
- Circuit charge
- Matelas et sommier
- Aménagements divers
- Table de cockpit
- Porte de coupée
- Changer les hublots
- Bagues Safran
- Fixation sabot safran
- Coude échappement
- Axe dérive
- Déquillage
- Déquillage slovène
- Réfection safran
- Dépose du moteur
- Peinture coque
- Cache Apéro
- Feeling 356
- Feeling 396
- Feeling 416
- Feeling 426
- Feeling 446
- Feeling 486
- Feeling 546
- Feeling 29
- Feeling 30
- Feeling 32
- Feeling 36
- Feeling 39
- Changement axe dérive
- Compteur eau douce
- Hydrogénérateur
- Tubes de jaumière
- Barre de secours
- Poulies doubles génois
- Elargir couchette avant
- Faciliter mouillage
- Améliorations diverses
- Cuve eaux noires
- Butées safran
- Ber
- Changement de dérive
- Barre à roue
- Rénovation coque
- Caractéristiques GV
- 3 nouveaux tiroirs
- Panneaux descente
- Fabrication dérive
- Feeling 44
- Feeling 48
- Feeling 52
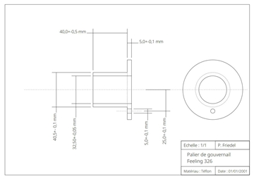
Palier de safran
Voici le plan que j’avais fait en 2001 pour le palier de safran de mon Feeling. Je l’ai fait fabriquer en Delron je crois mais je n’en suis plus très sûr. On peut utiliser l’ertalon. Ce post sur Hisse-et-ho donne des adresses. Je crois qu’il est désormais possible de le faire en impression 3D (en 2001 je l’avais fait tourner et cela ne m’avait rien coûté alors qu’un chantier de la Forêt Fouesnant que je ne nommerais pas m’en demandait 800€).


Petit détail : le diamètre extérieur est trop épais de 0,1mm. Il entre dans le tube mais un peu à force. L’ensemble n’a pas bougé en 20 ans…
Paul, sur Neraki.
Commentaires
Est ce qu'il s'agit de la bague supérieure ou de l'inférieure ? Je ne sais pas si elles ont les mêmes côtes.
Quand à la rondelle où est elle située ? Je n'en vois pas sur mon 326 PTE.
Merci pour ces infos.
Cordialement
Jean Jacques sur India
S’abonner au flux RSS pour les commentaires de cet article.