Alignement arbre d'hélice
Pourquoi aligner l’arbre
- On aligne l’arbre moteur pour qu’il tourne rond et ne force pas sur les 3 éléments qui le positionnent :
- Les tourteaux d'arbre et d'inverseur
- Le presse étoupe (joint à lèvre Volvo dans les Feeling 1090).
- La chaise d’arbre


- Pour éviter les vibrations qui endommageraient ces 3 éléments :
- Vibrations des tourteaux transmises à la sortie d’inverseur
- Usure ou décentrage du joint à lèvre Volvo et qui fuirait rapidement
- Usure de la bague hydrolube dans la chaise, ce qui amplifierait les vibrations et pourrait endommager la chaise d'arbre
Terminologie
Un petit schéma fonctionnel pour se mettre d'accord sur la terminologie. En effet les différents constructeurs ou catalogues utilisent des termes parfois différents. Ma terminologie n'est pas mieux, mais ça permet de rester cohérent tout au long de cet article.

Aligner quoi avec quoi
On n’aligne pas l’arbre avec le moteur, mais le moteur avec l’arbre
- Pour cela il faut d’abord bien positionner / centrer l’arbre
- En centrant l’arbre dans la chaise d’arbre, avec un joint hydrolube neuf
- En centrant l’arbre dans le tube d’étambot, avec des cales coniques. En effet, le joint à lèvre Volvo est juste là pour l’étanchéité, mais pas pour le centrage, car en vertu de sa souplesse, le poids de l’arbre va le déformer et rapidement user les lèvres du joint, ce qui va provoquer l’usure prématurée du joint, d’où une fuite d’eau de mer.
Note: Ceux qui ont remplacé le joint Volvo par un joint PSS, y voient 2 avantages:
- il n’y a alors que deux éléments qui positionnent l’arbre. Et par conséquent la perfection du centrage est moins importante: il suffit alors que l’arbre ne touche pas les parois du tube d’étambot lorsqu’il tourne, (et bien entendu qu’il soit correctement aligné dans le joint hydrolube, sinon celui-ci s’userait prématurément).
- le joint PSS contourne le problème de l’état de surface (détérioré par la corrosion) de l’arbre aux points de contact avec le joint.


- En vérifiant que la chaise n’est pas faussée, donc que l’arbre a un frottement égal sur l’avant et l’arrière du joint hydrolube et sur tout le pourtour du joint à l’avant comme à l’arrière.
- Il faut donc aligner le moteur de 2 manières :
- En position pour que l’arbre soit parfaitement centré dans son tourteau
- En angle (horizontal et vertical) pour que les 2 tourteaux soient parfaitement parallèles
Les causes possibles d’un défaut d’alignement
- Vieillissement, fatigue et affaissement des silent blocks
- Déréglage de la position moteur du aux vibrations
- Remplacement du moteur, qui rend parfois impossible de lever suffisamment le moteur, étant en bout de course des vis des silent blocs, donc nécessité de cales sous les silent blocs.
- Déréglage de la position moteur du au choc d’un bout dans l’hélice
- Flambage de l’arbre lors d’un bout dans l’hélice
- Torsion de la chaise d’arbre lors d’un bout dans l’hélice
- Usure du joint hydrolube
- Fatigue de la rigidité de la coque, en particulier en cas d’osmose ou de pataras trop étarqué
- …
Les conditions d’alignement
Malheureusement, la coque se déforme de manière significative, en raison du poids de la quille et de la tension du pataras. La déformation va s’accentuer avec l’âge du bateau en raison du vieillissement de la coque. Une coque ancienne ou atteinte d’osmose perd de sa rigidité.
A sec : sur ber ou à la cale
La quille reposant au sol, la proue et l’étrave vont descendre de plusieurs millimètres. La déformation dépend du réglage de la pression des bers sur la coque. On remarque cette déformation en particulier lorsque sur ber, la porte du cabinet de toilette ou de la cabine arrière a tendance à se coincer dans son encadrement.
A flot
Le bateau est porté par l’eau et la quille pèse sur ses boulons de quille. La coque se déforme alors dans le sens inverse : en accentuant sa concavité.
A sec dans les sangles
Dans les sangles du travel lift, ou sur les patins de la remorque de manutention, on approche les conditions à flot avec une déformation similaire, sans être parfaitement la même.
Comment aligner
A sec : sur ber ou à la cale
C’est une bonne idée de faire un alignement avec le bateau à sec de manière à dégrossir les réglages, mais surtout de s’habituer au processus d’alignement : avoir les bons outils à portée de main, débloquer les boulons récalcitrants (silent blocks, tourteaux, anode d’arbre), remplacer le joint hydrolube, et apprendre à retirer le joint à lèvre Volvo rapidement et à placer les 2 demi-cales coniques, ainsi que vérifier que le joint à lèvre peut être replacé par-dessus les 2 demi-cales coniques. Cela permet aussi de vérifier et nettoyer tranquillement les calcifications éventuelles de l’arbre au niveau des lèvres du joint.
Attention, prévoir un épaulement aux demi-coquilles coniques, comme celle-ci tournées dans du Delrin.


Certaines demi-coquilles du commerce n’ont pas d’épaulement, ce qui peut rendre très difficile leur extraction quand elles sont coincées dans le tube d’étambot.


Dans tous les cas, on doit d’abord désaccoupler les 2 tourteaux avant d’introduire les demi-coquilles dans le tube d’étambot, afin de permettre le centrage de l’arbre dans le tube (non contraint par l’accouplage des tourteaux).
A sec dans les sangles ou sur les patins
On peut peaufiner l’alignement vertical (l’alignement horizontal ne devant pas beaucoup être modifié par le poids de la quille).
A flot
Ce sera l’alignement final et définitif, auquel on sera bien préparé par les 2 précédents. La difficulté supplémentaire sera de desserrer le joint à lèvre Volvo pour le faire reculer et introduire les 2 demi-cales coniques et repositionner le joint à lèvre. Ce qui va provoquer une voie d’eau importante par le tube d’étambot. Etaler cette voie d’eau un peu stressante par la pompe de cale, ou mieux par une pompe immergée portative dans la gate moteur. Afin de limiter cette voie d’eau, on peut bourrer un chiffon par l’extérieur, autour de l’arbre moteur dans le tube d’étambot, ou un manchon d’isolant de chauffage en polyéthylène. Si le chiffon ou le manchon sont bourrés en place avant la mise à l’eau, on pourra les retirer de la jupe arrière par un bout attaché au préalable. Sinon, c’est une plongée sous la coque.
Le processus d’alignement
On n’aligne pas l’arbre avec le moteur, mais le moteur avec l’arbre
La ligne d’arbre a un seul point fixe : le joint hydrolube dans la chaise d’arbre, puis un point de centrage : le centre du tube d’étambot (afin que le joint à lèvre Volvo ne soit pas déformé et ne fuie pas).
o Désolidariser les 2 tourteaux


o Desserrer et tirer en arrière le joint à lèvre Volvo. Introduire les 2 demi-coquilles. Replacer le joint à lèvre sur le tube d’étambot.
o Desserrer les écrous supérieurs des 4 pattes du moteur, afin de rendre libre le réglage de position du moteur par les écrous inférieurs aux pattes.
o Centrer les 2 tourteaux en réglant la hauteur sur les silent blocks arrière du moteur


o Régler le parallélisme vertical des 2 tourteaux en réglant la hauteur sur les silent blocks avant du moteur, ou le parallélisme horizontal des tourteaux en réglant la position des pattes moteur sur les silent blocks. En principe, les pattes ont des trous ovalisés.

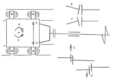
Alignement vertical et alignement horizontal sur ces 2 schémas:


Pour le parallélisme, une cale de 5/100ème donne un excellent résultat. Pendant le réglage du parallélisme, faire tourner le tourteau de l’arbre de ¼ de tours pour vérifier si le parallélisme est toujours bon. Sinon, on peut suspecter un flambage de l’arbre d’hélice !
o Revérifier le centrage et le re-régler au fur et à mesure des réglages de parallélisme. C’est un travail itératif, il faut s’armer de patience ! Pour exemple, cette vidéo.
o Quand le centrage et parallélisme sont réglés, il faut s’assurer que le moteur porte de manière équilibrée sur ses 4 silent blocks. En effet, il suffit de 3 points pour définir un plan, et il peut arriver qu’un des 4 silent blocks ait un jeu sous la patte du moteur. Il faut alors régler l’écrou sous la patte pour que le moteur soit aussi porté par ce silent block.


o Pour le serrage du moteur sur ses 4 silent blocks, on commence par serrer d’ 1/8ème de tour les écrous inférieurs des 4 silent blocks, puis par serrer les 4 écrous supérieurs pour bloquer le moteur.
o Revérifier l’alignement …
o Revisser solidement le tourteau d'arbre à celui de l'inverseur. La vis pointeau du tourteau doit être bien positionnée et la fixation du tourteau sur l'arbre doit être parfaite.
o Retirer les 2 demi-coquilles du tube d’étambot.
o Replacer le joint à lèvre Volvo
o Pour l’opération à flot, ne pas oublier de retirer le chiffon ou le manchon isolant bourré dans le tube d’étambot par l’extérieur.
Gérard, sur Boisbarbu.
Alignement sur Maracuja
Pour l'alignement du moteur, on l'a fait avec un mécano qu'on connait bien et qui a été formé chez Volvo. Il connaît un peu par cœur tous les volvo de la série 2000. Il est pédagogue. On avait déjà refait un 2001 avec lui. Cela nous permet de mettre la main dans le moteur avec un guide ;)
En ce qui concerne l'alignement moteur, on pouvait le faire à sec ou à flot. Lui à plus pousser de le faire à flot, sachant qu'on avait déjà regardé quelle était la position de l'arbre une fois la bague hydrolube enlevée et changée au sec.
Pour l'alignement c'est fait avec le presse-étoupe en place, il regarde si il y avait une différence d'espace entre la partie côté arbre et la partie côté inverseur avec un jeu de cames. Il tourne l'arbre manuellement et voit avec un point fixe qu'il y a bien un problème de réglage, car le moteur bouge avec un léger mouvement circulaire.
Le mécano m'a expliqué un truc du style :
- si la came passe en bas, il faut descendre l’avant du moteur
- si la came passe en haut, il faut monter l’avant du moteur
- si la came passe sur un coté, il faut pousser l’avant du moteur du coté du passage de came.
On pouvait remarqué un déséquilibre sur les silentblocs avant. Le mécano a désaccouplé le tourteau et on a dévissé les boulons silentblocs. Il vérifie aussi quelle est la marge entre l'arbre et le tube d'étambot.
D'ailleurs en dévissant un des silentblocs on a constaté que la partie filetée était dessoudée de la partie plate fixée au bateau (heureusement on connait un soudeur qui a pu nous faire cela le jour même) : "le moteur ne tenait que sur 3 pattes"
On a revissé les boulons des silentblocs pour que le moteur reprenne le bon angle.
Toujours avec le jeu de cames, on a remis les 2 parties du tourteau en revissant chaque vis pour garder le même écart sur l'ensemble.
Il s'avère que ces pièces sont usinées donc on peut voir des décalage entre certaines vis donc il faut le faire petit à petit de manière méthodique.
Une fois cela fait, on reteste avec un point fixe en faisant tourner l'arbre manuellement. C'est assez flagrant.
Puis test du moteur à différents régimes au port. Le résultat est impressionnant. Et le lendemain, on a même testé en mer à différents régimes (850-1500-2000-2500-3200).
Je suis d'ailleurs tomber dernièrement sur une vidéo sur youtube où l'alignement est aussi fait à flot, ça m'a fait penser un peu à ce qu'on avait fait en partie. https://www.youtube.com/watch?v=2dh3E_ei1MU
J'espère que mes explications ont été claires. Je n'ai malheureusement pas de photos car j'avais les mains et les yeux occupés pendant cette opération.
Isabelle, sur Maracuja
Commentaires
S’abonner au flux RSS pour les commentaires de cet article.