La documentation
Dossiers 1090/1040
- Achat et préparation
- Le confort à bord int.
- Couchette bâbord
- Rangement cab avant
- Filets pour fruits
- Table à carte
- La gazinière
- Etagères frigo
- Rangement jupe
- Placard à cirés
- Equipet Toilettes
- Equipet cabine arrière
- Equipet cabine arrière b
- Matelas cabine AR
- Cadre panneau de pont
- Plancher Cabine AR
- Plancher cabine AV
- Marches élargies
- Rangement cab tribord
- Planche à découper
- Equipets carré
- Nez de marche tôle alu
- Rangements invisibles
- Isolation frigo
- Toiles anti roulis
- Tissu sellerie
- Démontage meubles AV
- Etagère cabine AR
- Démontage meuble AR
- Habillage hublots
- Refit cabinet toilette
- Rangement chauffe-eau
- Rideau de pluie
- Trappe coqueron
- Kitchen refurbishment
- Rallonger tiroirs
- Le confort à bord ext.
- Circuit d'eau et chauffage
- Les vaigrages
- Hublots et panneaux
- L'électricité
- Les instruments
- Le moteur
- Le Yanmar
- Le volvo
- Les équipements
- Tirette arrêt moteur
- Réservoir Boisbarbu
- Trappe de visite
- Fuite de carburant
- Ventilateur de cale
- Remplacement d'hélice
- Réservoir Fearless Friend
- Protection pompe carburant
- Jauge carburant
- Isolation phonique
- Fuite réservoir gasoil
- Filtre eau de mer
- Dérivation gasoil
- Alignement arbre
- Horodateur
- Capteur jauge carbu
- Hors-bord Tohatsu
- Joint à lèvre
- Le gréement
- Le gréement courant
- Le gréement dormant
- Gréement, accastillage
- Etai largable Boisbarbu
- Etai largable Blue Eyes
- Etai largable Manzanillo
- Etai largable Fulmar
- La rupture de l'étai
- Enrouleur Profurl N42
- Dématage / Rematage
- Réparation épontille
- Barres de flèche
- Déport drisse spi
- Documentation dormant
- Sorties de drisse
- Nettoyeur gorge mat
- Nettoyeur rail mât
- Nettoyeur gorge GSE
- Roulements Profurl
- Roulemts Profurl (2)
- Vit de mulet
- Devis, factures gréement
- Etai largable Néphylia
- Les voiles
- La barre et le safran
- Le mouillage
- Le pont
- Pied de chandelier
- Le Portique BoisBarbu
- Les portiques Feeling
- Entretien winch Lewmar
- Entretien winch Harken44
- Entretien winch Harken32
- Flasque winch Harken
- Refit + new mast
- Complete refit
- Cadènes de sécurité
- Remplacement rail GV
- Capote de roof
- Les Dorades
- Teck jupe AR
- Portique bon marché
- Glissière Amiot
- Winch 4 vitesses
- La coque
- Les Logos Kirié
- Traitement du lest plomb
- Les plans de grutage
- Placer les étais sur ber
- Plans et dimensions
- Couleur du gel coat
- Peinture de coque
- Trappe échelle bain
- Les couleurs Feeling
- Peinture de coque 2
- Coque Manzanillo
- Coffre survie
- Numéro de coque
- Déquillage
- Marche de jupe
- Stratification cloison
- Boulons de quille
- DL ou DI
- Réfection lest plomb
- Peinture coque 3
- Traitement osmose ++
Dossiers autres modèles
- Feeling 720
- Feeling 850
- Feeling 920
- Feeling 960
- Feeling 1100
- Feeling 1350
- Feeling 226
- Feeling 256
- Feeling 286
- Feeling 306
- Feeling 316
- Feeling 326
- Feeling 346
- Aménagements
- Plans dérive
- Chaise d'arbre moteur
- Dépose dérive
- Vaigrage cabine avant
- Réfection carré
- Réparation dérive
- Vérin pilote Ray
- Cadène d'étai
- Taud d'hivernage
- Rangements
- Tableau électrique
- Porte frigo
- Tous les vaigrages
- Eaux noires 2 cab.
- Eaux noires 3 cab.
- Poser à plat
- Porte de coupé
- Circuit charge
- Matelas et sommier
- Aménagements divers
- Table de cockpit
- Porte de coupée
- Changer les hublots
- Bagues Safran
- Fixation sabot safran
- Coude échappement
- Axe dérive
- Déquillage
- Déquillage slovène
- Réfection safran
- Dépose du moteur
- Peinture coque
- Cache Apéro
- Feeling 356
- Feeling 396
- Feeling 416
- Feeling 426
- Feeling 446
- Feeling 486
- Feeling 546
- Feeling 29
- Feeling 30
- Feeling 32
- Feeling 36
- Feeling 39
- Changement axe dérive
- Compteur eau douce
- Hydrogénérateur
- Tubes de jaumière
- Barre de secours
- Poulies doubles génois
- Elargir couchette avant
- Faciliter mouillage
- Améliorations diverses
- Cuve eaux noires
- Butées safran
- Ber
- Changement de dérive
- Barre à roue
- Rénovation coque
- Caractéristiques GV
- 3 nouveaux tiroirs
- Panneaux descente
- Fabrication dérive
- Feeling 44
- Feeling 48
- Feeling 52
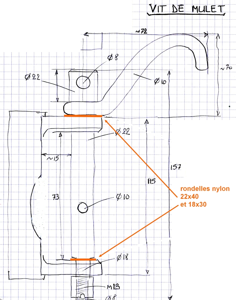
Vit de mulet
Cet article pour rappeler les dimensions du vit de mulet, car loin de leur bateau en hiver, quelques propriétaires posent la question. A noter que celui-ci équipait un Feeling 1090 de 1993. Il est possible que les premiers de la série puissent être différents.



Au vu de l'usure que le croc de ris imprime sur le haut de la pièce en fonte d'alu rivetée au mât, j'ai décidé de protéger par une rondelle nylon, ainsi qu'une autre rondelle entre l'axe et le bas de la pièce en fonte d'alu.
Ces 2 rondelles sont respectivement 22x40 et 18x30. Ces 2 rondelles étant difficiles à trouver dans le commerce, je les fabrique dans une feuille de polyéthylène.

Gérard, sur Boisbarbu.
Commentaires
il existe chez IGUS des rondelles à des dimensions proches
par exemple 22x38 ep 1.5 et 18x32 ep 1.5 entre 3 et 5€
S’abonner au flux RSS pour les commentaires de cet article.